Description
A brand new 6v dc high-torque can-style motor as featured in our LA5/9mm kits, suitable for Lima ringfield motor replacement. With the correct wiring and components, these can be used on DC and DCC layouts.
At 9mm thick, this motor is the smallest motor available for ringfield conversions and will fit into almost all UK outline Lima models. However, the small size means it’s also the least powerful.
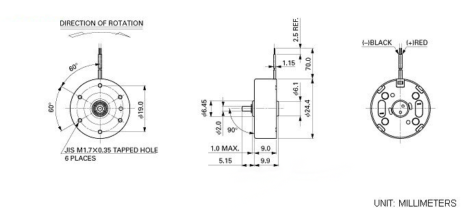
Motor diameter: 24.4mm
Motor height: 9mm
Shaft diameter: 2mm
Shaft length: ~4.5mm
Wire length: ~70mm
Rated Voltage: 5.9V DC ,
No-load current: 50mA ,
Locked-rotor current: 850mA
No-load speed: 12500r/min.
Power: 0.4W
Torque: ~5g.cm
We use this motor in our LA3B, LA5 and HA5 kits. We have also used it in a couple in ‘glued in’ conversions and it performs well so long as it’s not overworked.
We do not, however, recommend that it is used in models that will be run hard or very regularly with more than 3 or 4 coaches. It may be a suitable contender for Lima’s DMUs and GWR Railcar, as these will not see long rakes hooked up.
Please note: This motor should be glued in place using high-temperature hot glue or epoxy resin. You will also require a replacement drive gear and other materials to complete a conversion. This motor is not compatible with Hornby models, unless you remove the brass bushing and then widen the hole with an 8mm drill.
Compatibility
This motor will fit most OO gauge Lima and Hornby Co-Co and tender-drive ringfield models. However, these manufacturers have produced a wide range of ringfield motors and some configurations may be more tricky to covert than others.
On that basis, we strongly do encourage customers to discuss their requirements and proposals with us beforehand, so we can help to identify any potential issues or important considerations/precautions.
One Hornby ringfield variant that can prove particularly tricky to convert is a Co-Co/tender-drive motor that features left and right track pickups on the motor bogie and has a bogie that is live with the right-hand track voltage (normally the red wire). Some more recent HST power cars use this variant, but there may be others as well.
With these Co-Co/tender-drive models, it is necessary to ensure that:
-
- The body of the motor makes no contact with any wheels (which may not always be possible) or is isolated from them using tape (which may have a limited lifespan), and/or
- The motor is fully isolated from the bogie using glue around the sides and a thin insulator – e.g. layers of Kapton tape or heat-resistant plastic – placed between the face of the motor and the metal work of the bogies against which it sits.
Whatever model you are converting, please always use a multi-meter to check for short circuits before applying power to a converted locomotive or any decoder. A short could destroy a decoder instantly and also damage the replacement motor.
Important considerations
1. Our replacement motors are low-noise DC motors designed for CD/DVD drives. The output from a DCC decoder or a DC controller can exceed their voltage rating depending on how hard hard the loco is being worked. Whilst our own tests (and those of many others before us) show that these motors are capable of handling voltages higher than their rating, in order to avoid motor burn-out, prolong motor life and achieve prototypical speeds, we recommend:
★ For DC/Analogue use, speeds are kept low manually via the controller and a diode* voltage dropper should be considered in order to reduce voltage going to the motor (as outlined in the instructions);
★ For DCC use, speeds are kept low manually via the controller, decoders should have their CV5 value reduced (if available) and, particularly where CV5 adjustment is not available, a diode* voltage dropper should be considered in order to reduce voltage going to the motor (as outlined in the instructions).
2. With all CD-style motor conversions, it is good practice to: i) maintain very high speeds for relatively short periods only, ii) keep running on steep inclines to a minimum, iii) avoid coupled up with excessively long rakes of coaches/wagons, and iv) where less robust 9mm or 10mm motors are fitted, resist the temptation to fit additional weight to the loco.
3. It is recommended that locomotives fitted with our 3D printed adaptor kits are not run for more than an hour continuously; this is to prevent the motor temperature from exceeding the glass transition temperature of the plastic.
4. We recommend that locomotives fitted with can-style CD motors are:
★ Not run without a DCC decoder as ‘Locomotive 0’ on a DCC model railway layout (this is will lead to over-heating and rapidly ruin the motor), and
★ Not placed on the tracks whilst a high frequency track cleaner (such as the Gaugemaster HF-1/HF-2) is in operation. There have been some reports that the frequency can damage the motors, although it is not something that we have tested.
Disclaimer
We can accept no liability or responsibility for any damage or injury occurring from the installation and use of our motor replacement kits. Installation requires modifications and the use of tools, some of which have the potential to damage you and/or you models, as well as other components and equipment. Users must not commence work unless they are confident that they have the skills and experience necessary to complete it successfully, and install these kits and undertake work to their models at their own risk.








